欢迎来到暖城阳采商城
请登录
免费注册
供应商中心
供应商入驻
我的消息
我的订单
已买到的商品
我关注的商品
我关注的店铺
客服中心
帮助中心
售后服务
投诉中心
首页
购物车
商品对比
建议反馈
顶部
商品对比
❌
我的购物车
❌
优 惠 卷
❌
商品
店铺
A4打印纸
台式机
硒鼓
得力
华为
工具
迅想
购物车
全部商品分类
文具、耗材、打印、设备
打印设备
激光打印机
多功能一体机
喷墨打印机
针式/热敏打印机
条码打印机
热转印打印机
3D打印机
黑白数码复合机
彩色数码复合机
复合机配件
高拍/馈纸式扫描
其他扫描设备
传真设备
打印耗材
硒鼓
粉盒
墨水
鼓组件
碳粉
墨盒
配件
打印纸类
复印纸
彩色复印纸
打印纸
热敏打印纸
不干胶打印纸
标签纸
相纸
其他用纸
书写文具
笔类
笔芯
记号/白板笔
铅笔
削笔刀
橡皮
墨水/墨囊
修正用品
文房四宝
绘图美术用品
其它学生文具
办公文具
订书机/针/起钉器
回形针/图钉/票夹/磁扣
胶棒/胶水/胶带
笔筒/笔袋
计算器
印泥/印台
标牌
国/党旗
地球仪
其他办公文具
书籍
本册便签
笔记本/记事本
文件夹
板夹/报告夹
文件座/架/框/柜
文件套/文件袋
档案袋/档案盒
信封/信纸
标签/贴纸
奖杯/奖牌/证书/卡
财会文具
其他文件管理
行政财务设备
收银机
刷卡机
其他行政财务设备
白板
白板擦/白板水
装订/封装
塑封机
切纸机
碎纸机
打孔机
点钞机
保险柜
考勤设备
考勤机
考勤卡/考勤机色带
门禁/测温设备
标签/针式、速印机耗材
油墨
去皮墨/大桶墨
版纸
碳带
标签机色带
色带架/芯
电脑、数码、网络、外设
网络外设
鼠标/键盘
鼠标垫
U盘
移动硬盘
手写笔/板
USB扩展配件
其他外设配件
线缆及水晶
路由器
交换机
转换器/转换线
网络存储
网卡/无线网卡
其他网络产品
电脑整机
台式机
一体机
笔记本电脑
平板电脑
服务器/工作站
电脑配件
主机
显示器
主板/CPU
显卡
机械硬盘
固态硬盘
笔记本硬盘
内存条
电源
散热器
刻录机/光驱声卡/扩展卡
其他电脑配件
电脑清洁
电脑防窥膜
显示器增高架
笔记本支架
会议监控
执法记录仪
安防监控
摄像头
投影机
投影幕布
投影配件
会议音频视频
视频/音频线缆
对讲数码
对讲机
移动电源/充电宝
支架/电池/充电器
存储卡
手机
手机支架
手机壳
手机膜
电子设备
翻译设备
手表/手环
耳机/耳麦
音箱/音响
麦克风
电子词典
电子书
录音笔
智能设备
游戏机
影音摄像
数码相机
微单相机
运动相机
摄像机
摄影/摄像配件
影音设备
工具、配件、五金、检测
工具
手动工具
电动工具
气动工具
动力工具附件
电工工具
钳工工具
扭力工具
测量工具
液压工具
铆接工具
管道工具
防爆工具
汽修汽保工具
园林/家装工具
特种扳手
工具车及箱包
工具套装/配件
工具配件
钻头
磨片及切割片
螺丝批头
锯片及锯条
钉枪用钉
易损配件/配件耗材
弧焊设备配附件
焊接设备配附件
焊接辅助机具
修补类耗材
通用设备
通用设备
焊接设备
气焊设备
弧焊设备
清洁设备
称重设备
工业检测
绝缘电阻测试仪
接地电阻测试仪
耐压测试仪
漏电流钳形表
安规测试仪
回路电阻测试仪
多功能测试仪
磨具磨料
金相设备及耗材
砂纸/砂布/砂带
砂碟
超硬磨具
钢丝刷
油石
带柄磨具
不织布/尼龙研磨产品
抛光研磨剂
磨料/喷砂材料
研磨附件
砂轮
粉磨设备及其配件
电子精密磨削
紫扁铜
其它磨具磨料
紧固件
螺栓
螺母
螺钉
螺柱
螺帽
销
铆钉
螺丝
其它紧固件
仪器仪表
通用电气测量仪表
工业检测类
测量测绘仪器
电力测量仪器
环境检测仪
诊断及无损探伤
电子测量仪器
通用电工测试仪表
温度仪表
电工测量仪表
水表
涂脂施胶工具
喷壶/胶枪
工程施工
滤料填料
耗材套装
替换类耗材
钻头批头混合套装
麻花钻头套装
螺丝批头套装
电锤钻头套装
冲击套筒套装
开孔器套装
木工铣刀套装
其他耗材套装
测量工具
卡尺
千分尺
指示表
量规/量块
角尺/角度尺/刀口尺
塞尺/派尺
水平尺
寻边器
测量仪器/测量台
测量量具辅件
测量数据记录及输出
坡口倒角设备
卷尺
直尺
其他测量工具
密封件
填料密封
机械密封
橡胶密封件
其它密封件
小五金及其他
门窗小五金
家具小五金
水暖小五金
卫生间小五金
结构小五金
其他小五金
低压、工控、电气、仪表
电线电缆和配件
电线
电缆
线缆配件
控制电缆
光伏电缆
低压交联电缆
橡套电缆
绝缘电缆
塑力电缆
编织布电线
护套布电线
绝缘布电线
接线盒
电线夹
电缆固定头
电缆终端和中间接头
电缆挂钩
线盘
电伴热带
绕组线类
低压断路器
双电源开关
微型断路器及附件
电机保护断路器及附件
塑壳断路器及附件
塑壳漏电断路器
框架/低压真空断路器
微型剩余电流保护断路器
防爆开关
电气辅材
功率补偿器件
电卷盘、卷管器、绕线器
工控自动化
计数器
电流互感器
接触器及附件
变频器及附件
执行器及附件
低压通用型变频器
风机水泵专用变频器
频敏变阻器
软启动器
定时器
伺服控制
工业识别系统
人机界面/HMI
信息与控制产品
电力仪表
电能及测量仪表
多功能电力仪表
安装式电表
温控仪表
单相电能表
三相电能表
电工电料及配件
电工电料
电料配件
门铃
变压器及调压器
变压器
变压器附件
调压器
稳压器
可编程控制器/PLC
中、大型PLC
小型PLC
中央处理器/CPU
数字量输入输出模块
集成电路
电子插件板
模拟量输入输出模块
通讯模块
功能模块
电源模块
工业存储卡
特殊模块
可编程plc模块
数显交流电压表
传感器
光电传感器
接近开关
图像识别传感器
限位开关
光纤传感器
温度传感器
液位传感器
振动传感器
称重传感器
超声波传感器
微动开关
开关型传感器
传感器附件
安全光幕
信号隔离器
其他传感器
工业交换机
串口卡
现场总线网关
工业无线
串口服务器
编码器
绝对值编码器
增量式编码器
其他型编码器
工业控制计算机
数据采集卡
通讯卡
采集模块
工业显示屏
隔离电器
微型隔离开关
熔断器式隔离开关
隔离开关附件
刀开关
指令电器
按钮/指示灯
按钮指示灯附件
蜂鸣器/警示灯
按钮盒
凸轮开关及附件
倒顺开关
手拍脚踏开关
其他类型开关
熔断器
熔芯
熔断器底座
刀型熔断器
圆筒帽型熔断器
螺栓连接型熔断器
熔断器配件
其他熔断器
雷击电涌保护器
避雷器/模块化电涌保护器
电源
不间断电源及配件
直流电源
蓄电池
开关电源
电源开关控制装置
稳压电源
其他电源类
充电桩
电池柜
箱变附件
电阻电容电抗器
电阻器
电抗器
二极管
三极管
并联电容器
滤波电容器
电阻电容电抗控制器
低压成套箱柜
低压成套柜
其他配电产品
配电箱/配件
电力安全设备
导轨插座
电力金具
接线端子/连接管
T型线夹
设备线夹
接续金具
耐张线夹
架空绝缘导线金具
悬垂线夹
连接金具
防护金具
电站金具
拉线金具
其它电力金具
并沟线夹
接地线夹
管件和线槽
线槽
热缩管
穿线管
桥架
保护管
软管固定头
结束带
其他管件和线槽
综合布线产品
电话光端机
光纤光缆
通信配件
扎带相关
扎带固定座
扎带枪
扎带
工业插头
工业插座
插座箱
工业连接器
工业控制元件
导轨元器件
控制开关
启动器
端子
接线端子
冷压头
其它端子
继电器
电磁继电器
热过载继电器
功率继电器
小/微型继电器
时间继电器
安全继电器
中间继电器
固态继电器
接触器式继电器
监测继电器
电动机保护继电器
继电器附件
正反转继电器
插拔式继电器
电子过载继电器
其他类型继电器
搬运、存储、机电、传动
泵
泵
蠕动泵
注射泵
计量泵/柱塞泵
真空/压力控制器
单级泵
多级泵
双吸泵
泥浆泵
循环水屏蔽泵
自吸泵
液下泵
化工泵
离心泵
离心泵控制柜
泵配件
潜水泵
隔膜泵
螺杆泵
磁力泵
端吸泵
塑料泵
渣浆泵
高压泵
试压泵
齿轮泵
软管泵
真空泵
污水泵
管道泵
增压泵
清水泵
球轴承
直线轴承
推力球轴承
调心球轴承
角接触球轴承
深沟球轴承
暖通
风速/风量
流量/液位
气体浓度变送器/传感器
气体温湿度变送器/传感器
压力/差压
防爆供热/通风设备
暖通产品
空气过滤器/净化器
过滤材料
风管
风幕机
轮胎
轿车轮胎
轻型载重汽车轮胎
载重和公共汽车轮胎
工程机械轮胎
越野汽车轮胎
农业和林业机械轮胎
工业车辆轮胎
摩托车轮胎
航空轮胎
特种车辆轮胎
力车轮胎
包裝材料
工业胶带
自封袋
毛毡
编织袋
封箱胶带
包装膜
包装纸
背胶袋
气泡卷
珍珠棉
充气袋
缠绕膜
塑料袋/膜
零件整理
零件托盘
零件箱
零件盒
零件盒挂架
零件盒整理柜
其它零件整理
高空作业
电动取货车
剪叉式高空作业平台
曲臂式高空作业平台
桅柱式高空作业平台
直臂式高空作业平台
其它高空作业
牵引车
电动三轮车
观光车
手推车
平板推车
静音推车
线网推车
防静电推车
板料推车
周转推车
柜式推车
办公推车
铁屑车
折叠推车
脚轮/搬运器
脚轮
滑动轮搬运器
手动载重搬运车
电动载重搬运车
堆高车
手动液压堆高车
电动液压堆高车
拣选车
升降平台/平台车
手动升降平台车
电动升降平台车
倾斜式升降平台
升降机
电动升降平台
弹簧升降平台
翻转台
装卸平台
检修平台
叉车
叉车载人平台
车类电池
叉车配套件
手动叉车
电动叉车
油桶/气瓶搬运
起重吊装
葫芦
防爆葫芦/小车
卷扬机
葫芦配件
吊带
吊具
索具
吊链
拴紧器
滑车平衡器
起重小车
起重机
真空吊装
臂吊
起重钳
永磁起重机及配件
绞盘机
行车遥控器
其它起重吊装
货架
货架标签/护角
整理架
置物架
穿梭车
多功能料架
工业托盘
塑料托盘
钢托盘
木托盘
移动托盘
托盘夹
其它工业托盘
智能存储
垂直升降库
存储柜
充电柜
管理柜
其他货架/智能存储
周转箱
塑料周转箱
整理箱
金属桶箱
储物篮
金属周转箱
水桶
油桶
其它周转箱
专用存储设备
托架
喉箍存储架
集装箱
移动式缠绕架
安全箱
安全包
保险箱
其他存储设备
储罐水箱
工具存儲
工具柜
工位车
防静电工具柜
电力工具柜
工具箱挂钩
台钻底座
置物柜
其他工具/刀具存储
刀具存儲
刀具车
刀具柜
刀具架
包装设备
包装机
缠绕机
封口机
包装机配件
打码机
其他包装设备
辅助材料
复合材料
打包材料
打包带
包扣
塑料封条
铅封
木箱
防尘网
打包盒
绳子
纸箱
打包耗材
其他打包材料 篷布
打包工具
打包机
胶带
切割机
维修备件
胶带划线器
带盘车
撑杆
其他打包工具
工业称重
电子台秤
桌秤
U型平台秤
电子斜坡平台秤
吊秤
地磅
电子秤配件
其它称重设备
工具类磨床
砂轮机
钻头研磨机
台式砂带机/立式砂带机
丝锥研磨机
车刀研磨机
铣刀研磨机
复合研磨机
万能磨刀机
带锯条磨齿机
锯片研磨机
万能工具磨床
小型机床
多功能机床
迷你型车床
攻丝机
套丝机
坡口机
精密倒角机
打标机
激光打标机
点针打标机
划刻打标机
铆压设备
手动压力机
旋铆机
气动压力机
台式冲床
机床附件
精密平口钳
电火花设备配件
机床测试设备
卡盘卡爪
顶尖顶针
工作台
附件铣头
分度头
其他金属加工
其他机床附件
其他大型机床
立式带锯床
卧式车床
梯子
梯凳
直梯/伸缩梯
工作梯
人字梯
多功能梯
平台梯
梯子配件
发电机
汽油发电机
风力发电机
其他发电机
柴油发电机
滚子轴承
圆柱滚子轴承
圆锥滚子轴承
调心滚子轴承
推力滚子轴承
滚针轴承
CARB圆环滚子轴承
滚轮轴承
带座轴承
带座轴承芯
轴承座
轴承维护
轴承安装工具套装
轴向锁紧螺母套筒扳手
传动配件
润滑系统及配件轴承加热器
轴承拉拔器
轴承润滑
轴承基本状态监测工具
紧定套
锁紧螺母/垫圈轴
承端盖
轴承单元
轴套
输送带及配件
输送带
输送带配件
皮带及附件
皮带轮
清扫配件
皮带相关工具
三角带
切割带
链条及链轮
传动链
输送链
板式链
特种链
拖链
拖链接头
链条接头
接链环
链轮
惰轮
链条张紧器
链条导轨
滑动轴承
杆端
关节轴承
球面滑动轴承
其他滑动轴承
气动辅助件
电缸
流量开关
气动压力开关
气管工具
绕管器
消音器
气阀类
手控阀
气控阀
气动节流阀
气动单向阀
流体控制阀
快速排气阀
截止阀
脚踏阀
机械阀
5通电磁阀
3通泄压阀
3通电磁阀
电磁阀底座
电磁阀线圈
气缸类
摆动气缸
标准型气缸
带导杆气缸
滑台气缸
回转夹紧气缸
紧凑型气缸
其他气缸
气缸附件
气爪
双联气缸
无杆气缸
液压缓冲器
自由安装气缸
阻挡气缸
真空元件
真空安全阀
真空压力表
真空吸盘
真空发生器
刃具
槽加工刀具
车削刀具
铣削刀具
钻削刀具
镗削刀具
特殊刀具
铰削刀具
螺纹刀具
延长杆
变径套
刀具专用附件
筒夹/夹头
刀柄
刀具配件
刀座
齿轮加工刀具
工业减震
弹簧减振器
钢丝绳减振器
橡胶减振器
橡胶空气弹簧
其他类型减振器
爆破片
液压元件
液压马达
液压油缸
蓄能器
油液过滤
液压测试
工位器具
传输系统
无尘室设备
柔性系统结构件
搬运设备
搬运存储
登车桥
其他搬运设备
安防、劳保、消防、应急
手部防护
劳保手套
涂层手套
防割手套
防化手套
钢丝手套
防寒手套
隔热手套
机械手套
绝缘手套
防静电手套
低温液氮手套
一次性手套
袖套
清洁手套
呼吸防护
逃生呼吸器
空气呼吸器充气泵
空气呼吸器
长管供气呼吸防护系统
电动送风呼吸防护系统
防护面具
防护口罩
一次性口罩
其他呼吸防护
呼吸配件
足部防护
安全鞋
运动安全鞋
绝缘鞋
夏季安全鞋
防寒鞋
防滑/防水安全鞋
防化靴
安全鞋配件
鞋套
其他足部防护
焊接防护
焊接头套/帽
焊接口罩
焊接眼镜
焊接面罩及配件
焊接手套
焊接袖套
焊接围裙
焊接防护服
焊接脚盖
焊接防护屏
焊接防护毯
其他焊接防护
消防装备器材
灭火器
灭火毯/防火斗篷
消防救援五金
消防交通工具
消防演习用品
救援软梯/绳
消防应急标志灯
荧光警示棒
消防应急照明灯
防火材料
消防阀
消防器材箱/柜
消防水带
消火栓
其他消防器材
消防泵
气体安全检测
气体检测仪附件
单一气体检测仪
多种气体检测仪
固定式气体检测仪
气体检漏仪
气体检测管
火灾和火焰探测器
其它气体安全检测
头部防护
防撞帽
安全帽
绝缘安全帽
安全帽配件
发套
工作帽
其他头部防护
眼脸部防护
防护眼镜
激光防护眼镜
安全近视眼镜
眼镜配件
防护面屏
护目镜
其他眼脸部防护
听力防护
耳罩
耳塞
听力防护配件
其他听力防护
身体防护
工作服
防护服
围裙
实验室大褂
喷砂服
防寒服
雨衣
防晒降温
阻燃服
防辐射服
绝缘服
高温隔热防护
低温液氮防护
防化服
其他身体防护
坠落防护
安全带及其配件
速差器
缓冲系绳/带
止锁器
连接件及附件
工作限位系绳
安全绳
三脚架及绞盘
逃生救援装置
紧线器
防坠器
其他坠落防护
静电无尘
防静电无尘靴
防静电大褂
防静电工帽
防静电无尘服
防静电鞋
防静电手套/指套
粘尘垫
无尘室粘尘滚筒
防静电袖套/鞋套
无尘室无尘拖把
防静电文件袋
防静电/防尘围裙
其它防静电用品
电弧防护
防电弧套装
防电弧头罩
防电弧手套
防电弧服
防电弧腿套
其他电弧防护
消防员装备
消防员头盔/面具
消防手套
消防战斗服
消防战斗靴
消防腰带
消防套装
安全标识
国标标识
OSHA安全标识
消防/安全疏散标识
标识吊牌
管道标识
安全警示标识
地面胶带
职业病危害标识
地贴警示标识
V型标识
危险品标识
仓储标识
交通标识
其他标识
安检设备
安全检测仪器
数据采集工作站
其它安检设备
静电消除设备
应急处理
洗眼液
洗眼器
应急包
担架
心脏除颤器
喊话器
水上救生
驱鸟器
其他应急处理
安全锁具
工程塑料挂锁
铝挂锁
钢制千层锁
铜挂锁
不锈钢挂锁
吊牌/标签
缆锁
阀门锁
电路开关锁具
气体和空气管路锁
锁具管理中心
钥匙管理箱
密码锁
搭扣
道路安全
反光背心/反光衣
安全警示
反光贴
反光镜/广角镜/球面镜
告示牌/警戒带/警示柱/路锥
墙面保护护角
减速带
车轮挡块
车位锁/沿坡
线缆保护槽
车辆安全检查指挥
防汛用品
护栏网/隔离栅
其他道路安全
防暴器材
防暴盾牌
防暴装备
束缚类产品
防爆柜
报警系统
警示灯
火灾报警器
停电报警器
防盗报警器
其它报警器
润滑、胶粘、化工、原料
工业润滑
液压油
齿轮油
冲洗油
润滑脂
涡轮机油
导轨油
空气压缩机油
循环油/系统油
轴承油/机床锭子油
抗燃液压油
冷冻机油
真空泵油
导热油
链条油
工艺油
变压器油/绝缘油
工业冷却液
溶剂油
工业燃气发动机油
其他辅助油
汽机油
柴机油
发动机油
液压油
齿轮油
乳化液
绝缘油
压缩机油
润滑脂
设备用防冻液
刹车油
液力传动液
专用设备润滑油
工程机械润滑油
农业机械润滑油
金属加工液
切削液
切削油
冲压油
电火花油
淬火油
防锈油
轧制油
涂料/标示
自动喷漆
工业涂料
装修涂料
固化剂
稀释剂
颜料
涂层材料
工业标记涂料
防水涂料/卷材
化学清洗
工业清洗剂
多功能润滑剂
除锈剂/防锈剂
擦拭用品
擦机布
吸油棉
擦拭纸
无尘布
工业胶黏剂
圆柱形固持密封胶
瞬干胶
有机硅密封胶
结构粘接胶
管螺纹密封胶
螺纹锁固胶
平面密封胶
修补胶/促进剂
导电胶/导热胶粘剂
其他胶粘剂
表面处理剂
修补剂
促进剂/底剂
表调剂
磷化剂
无磷转化膜处理剂
轻金属转换膜
硅烷成膜剂
后处理剂
电解陶瓷转化膜
标准品、基准试剂
食品检测标准品
农残检测标准品
兽残标准品
环境检测有机标准品
工业品检测有机标准品
基质类检测标准品
无机标液
其他未分类标准品
特种润滑剂
特种润滑油
特种润滑脂
拉丝润滑粉
抗咬合剂
减摩涂层
其他类润滑剂
车船用润滑油
防冻液
变速箱油
液力传动油
制动液
车用添加剂
柴油/汽油机油
食品级润滑剂
食品级润滑油
食品级润滑脂
粘结
瞬间粘结
热熔胶
固化胶
UV胶
溶剂基/水基粘合剂
结构粘结
丙烯酸结构胶
环氧结构胶
点胶设备
导热材料
导电胶
导热胶粘剂
特殊化学品
水处理化学品
脱硫/脱硝化学品
焊接维护化学品
工业检测化学品
养护保护剂
化工原材料
化工添加剂
特种化学品
除臭剂
水处理试剂
燃煤锅炉用试剂
消泡剂
过滤吸附剂
其他化学品试剂
原材料、添加剂、催化剂
原材料
添加剂
催化剂
生物耗材
生物培养
样品采集/冻存
生化免疫
微孔板/PCR耗材
色谱耗材
化学品存储/泄漏处理
防化垃圾袋
泄漏应急套件/桶
吸附棉
盛漏托盘
存放安全/生物危害专用品
安全柜/配件
安全容器
气瓶柜
紧急器材柜
化学品分装工具
实验用垃圾桶
其他盛漏产品
实验室防护、清洁耗材
清洗灭菌/擦拭用品
防护用品
家装、建材、照明、家具
书房家具
书桌
书柜/书架
餐厅家具
酒柜
餐桌/餐椅
餐边柜
卧室家具
化妆台
穿衣镜
衣帽架
床/床垫
折叠床
床头柜/衣柜
客厅家具
躺椅
其他客厅家具
鞋架/鞋柜
沙发
茶桌/茶几
电视柜
凳子
储物家具
层架/置物架
存放/收纳柜
商业办公
摆件
其他商业办公
其他商业办公
文件柜/办公柜
茶水柜
投票箱
吧台/接待台
活动柜
屏蔽柜
更衣柜
办公桌
办公椅
班台/班桌
会议台/桌
屏风工位
办公沙发
多媒体讲桌/演讲台
灯饰照明
照明配件
智能灯具
专用灯具
台灯
LED灯源
荧光灯源
卤钨灯源
壁灯
吊灯
落地灯
吸顶灯
筒灯/射灯
格栅/面板灯
镜前灯
磁吸轨道灯
杀菌灯
节能灯
氛围照明
应急灯/手电
室外/户外灯具
防爆灯具
便携式灯具
其他光源
灯具配件
其它照明
顶棚灯具
支架灯
厨房卫浴
龙头
水槽
换气/排气扇
淋浴花洒
垃圾处理器
浴霸
浴室柜/台盆
马桶/智能坐便
蹲便器
毛巾/浴巾架
小便斗
角阀
地漏
干手器
厨卫配件
开关插座
插头
插座
PDU插座
开关插座
面板开关
接线板
其它类开关
墙地面材料
壁纸
瓷砖
地板
型材
木材/板材
油漆/涂料
砖、瓦
沙/石/水泥
乳胶漆
涂刷化工类辅料
艺术漆
地坪漆
木器漆
金属漆
壁纸胶
界面剂
美缝剂
补墙膏
防水涂料/材料
管材/管件
装饰材料
门
门套包边
窗
吊顶
移动壁柜
壁炉/壁挂炉/地暖
道闸/伸缩门
玻璃
岩板
护角
阳台/户外
晾衣架
花架/装饰架
家用梯
户外家具
吊篮/椅
户外长椅/凳
锁具/五金
家用五金
门用五金
窗用五金
机械锁(锁具)
智能锁
锁具配件
农资园艺
植物/仿真植物
园艺用品
种子/种苗/种球
个护、清洁、家纺、日用
家庭清洁
喷壶
垃圾钳
除尘工具
清洁剂/消毒液
洗洁精
水盆/水桶
扫把/拖把
抹布/百洁布
清洁刷具
手套/鞋套/围裙
垃圾袋/垃圾桶
其他清洁工具
美妆个护
面部洗护
香水彩妆
洗发/护发
口腔洗护
唇部护理
身体清洁
身体护理
女性护理
美甲工具
美妆工具
一次性清洁用品
清洁纸品
抽纸
卷纸/大盘纸
湿巾
洗衣液/洗衣粉
洗衣皂
护理剂/除菌液
生活日用
保鲜剂
闹钟/钟表
置物/收纳
洗晒/熨烫
净化除味
浴室用品
雨伞/雨具
保暖/养生防护
其他生活日用
家居家纺
绿植盆栽
装饰画
枕头/枕芯
床上用品
坐垫/靠垫
地毯/地垫
毛巾/浴巾
墙贴/装饰贴
花瓶花艺
节庆饰品
其他用品
驱蚊驱虫
驱蚊用品
花露水
灭鼠/杀虫剂
母婴用品
营养辅食
喂养用品
尿裤湿巾
洗护用品
儿童用品
童车童床
玩具/乐器
孕妇专区
其他母婴用品
箱包、皮具
钱包
公文包
旅行包
电脑包
行李箱
其他箱包皮具
皮具护理
厨具、餐具、厨电、家电
商用电器
商用和面机/打蛋机
商用炒菜机
商用电饼铛
商用电饭煲
商用电炸炉
商用工作台
商用绞肉机/切肉机
商用净水机
商用磨浆机
商用去皮机
商用洗菜/洗米机
商用洗碗机
商用制冰机
食品烘干机
其他商用电器
煮面桶
厨具餐具
厨房储物器皿
铲勺
厨房小工具
烹饪锅具
餐具
水具酒具
保温杯/壶
茶具
刀剪菜板
饭盒/提锅
一次性餐厨用品
保鲜膜/袋/盒
大家电
移动空调
其他大家电
平板电视
冰箱
洗衣机
冷柜/冰吧
挂壁式空调
立柜式空调
中央空调
烘干机
家电配件
厨房小电
微波炉
电磁炉
养生壶/煎药壶
电水壶/热水瓶
多用途锅
电饭锅/煲
电炖锅
空气炸锅
电烤箱
电饼铛
料理机
咖啡机
保温/电热饭盒
早餐机
其它电器
厨卫大电
其他厨卫大电
油烟机
消毒柜
洗碗机
燃气灶
热水器
集成灶
蒸箱
壁挂炉
生活电器
饮水机
净水器
茶吧机
除湿机
电风扇
取暖电器
扫地机器人
空气净化器
加湿器
家用洗地机
除螨仪
吸尘器
挂烫机/熨斗
其他生活电器
个护健康
筋膜枪
卷/直发器
其他个护健康
其他个护健康
剃须刀
吹风机
电动牙刷
电子秤
按摩仪
足浴盆
服饰、鞋帽、户外、运动
汽车装饰、美容清洗
车贴
车载充电器
车载充气泵
其他汽车产品
头枕腰靠
行车记录仪
健身训练
跑步机
哑铃
瑜伽用品
健身车
甩脂机
跳绳/呼啦圈
骑行运动
游泳用品
拳击用品
轮滑滑板
电动车/配饰
其他健身器材
体育用品
篮球/足球
乒乓球/台球
羽毛球/网球
棋牌娱乐
其他体育用品
服饰内衣
服装服饰加工定做
内衣/睡衣
T恤/卫衣
休闲裤/短裤/运动裤
西装/衬衫
上衣外套
羽绒服/棉衣
工装职业套装
打底衫/针织衫/棉毛衫
袜子
马甲/背心
其他服饰
鞋帽、配饰
拖鞋/凉鞋
休闲鞋/运动鞋
帽子/手套
雨鞋雨靴
商务/正装鞋
劳保鞋
围巾/丝巾
其他鞋类
珠宝配饰
户外装备
个人装备
帐篷/垫子
吊床
户外折叠椅/床
充气床
充气游泳池
烧烤用具
户外桌椅
户外照明
应急救援
粮油、生鲜、食品、饮料
粮油调味
有机食品
大米
面
小米
杂粮
食用油
挂面/面条
方便食品
调味品
南北干货
地方特产
烘焙原料
节庆食品
休闲食品
休闲零食
坚果炒货
肉干肉铺
蜜饯果干
糖果/巧克力
饼干蛋糕
熟食腊味
膨化食品
糕点点心
饮料冲调
饮用水
冲饮谷物
果蔬汁/饮料
咖啡/奶茶
牛奶乳品
蜂蜜/蜂产品
奶粉/奶制品
茗茶
普洱
绿茶
花茶
红茶
乌龙茶
茉莉花茶
黑茶
白茶
养生茶
花草/花果茶
传统滋补
阿胶
燕窝
维生素/矿物质
增强免疫
蛋白粉
其他滋补产品
酒类
白酒
葡萄酒
果酒
啤酒
黄酒
生鲜肉蛋
水果蔬菜
海鲜类
肉类
面点
蛋类
水饺/馄饨
其他冷冻类
首页
煤炭专区
首页
>
低压、工控、电气、仪表
>
电工电料及配件
>
电料配件
收藏商品
加入对比
同款比价
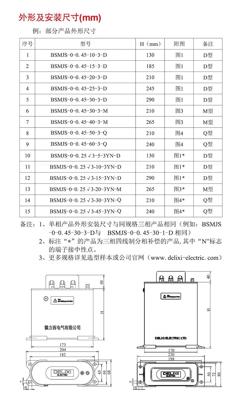
德力西电气 BSMJS-0-0.4-18-3-D 自愈式电容器 BSMJS00400001803D
零售价:
登录后查看
销售价:
登录后查看
累计销量:
0
品牌
德力西电气(DELIXI ELECTRIC)
服 务
由
阳采集团
发货并提供售后服务。
18:00 前完成下单,预计04月20日送达
配送至
河北唐山市丰南区
河北
关闭
购买数量
-
+
件
库存
10000
件
添加购物车
立即购买
手机微信购买
同类商品
九千谷 适用得宝DR43版纸 一体机版纸 DP430版纸 430制版纸431 90米单卷
[登录后查看]
九千谷适 用基士得耶G1版纸CP5327 5328 5329 5330 5360 版纸 65米 单卷
[登录后查看]
九千谷 适用于基士得耶G4版纸CP5428C版纸 G4 A3蜡纸 CP5438C版纸 热敏版纸 数码印刷机腊纸 MASTER 80米单卷
[登录后查看]
九千谷 适用理光JP-50C版纸 基士得耶T13版纸5450 JP5000版纸 A3 80米单卷
[登录后查看]
九千谷 适用得宝DUPLO DRU553版纸 A3蜡纸 DP-U450 550 650 5450 DRU558版纸 70米 1卷
[登录后查看]
商品详情
商品评价
(0)
销售记录
(0)
购买咨询
平台货号:100000056678
型号:BSMJS-0-0.4-18-3-D
品牌:德力西电气(DELIXI ELECTRIC)
类别:电力安全设备
类型:其他
材质:其他
阻燃:阻燃
适用场景:制造业
销售单位:个
商品评价
100
%
好评
共有0人参与评分
好评
(100%)
中评
(0%)
差评
(0%)
您可对已购商品进行评价
评价商品
商品评价(0)
好评(0)
中评(0)
差评(0)
销售记录
购买咨询
推荐商品
九千谷 适用得宝DR43版纸 一体机版纸 DP430版纸 430制版纸431 90米单卷
[登录后查看]
九千谷适 用基士得耶G1版纸CP5327 5328 5329 5330 5360 版纸 65米 单卷
[登录后查看]
九千谷 适用于基士得耶G4版纸CP5428C版纸 G4 A3蜡纸 CP5438C版纸 热敏版纸 数码印刷机腊纸 MASTER 80米单卷
[登录后查看]
九千谷 适用理光JP-50C版纸 基士得耶T13版纸5450 JP5000版纸 A3 80米单卷
[登录后查看]
九千谷 适用得宝DUPLO DRU553版纸 A3蜡纸 DP-U450 550 650 5450 DRU558版纸 70米 1卷
[登录后查看]
阳采集团
综合评分
:
S
9.16分
商品评价
:
9.50
高
物流管理
:
9.00
高
售后服务
:
9.00
高
联系电话
:
18735043035
热销商品排行
1
晨光(M&G)ADM95289B1经济型档案盒塑料文件收纳盒自粘扣资料盒整理盒 深蓝55mm
[登录后查看]
热销35件
2
得力(DELI)9384三联单栏收据(黄)87*175mm(本)
[登录后查看]
热销30件
3
迅想 28mm镀镍回形针 3#金属曲别针 200枚/筒 办公用品
[登录后查看]
热销20件
4
得力(deli)票据夹发票夹小号文件夹 发票收纳 办公用品 5353蓝色 264*155*18mm
[登录后查看]
热销20件
5
晨光(M&G) A4复印纸a4打印纸单包双面打印白纸70g整箱白纸草稿纸学生办公用纸 70g整箱 纸质光滑 共2500张 蓝晨光
[登录后查看]
热销16件
热门收藏排行
1
联想(Lenovo)LJ4000DN黑白高速A4激光打印机 有线网络自动双面打印 40页PPM 办公商用
[登录后查看]
收藏人气:
1
2
艺福堂 茶叶 茉莉花茶2g*100袋 经典茉莉花茶多泡下午茶袋泡茶包盒装独立包装
[登录后查看]
收藏人气:
1
3
晨光(M&G) GP1280中性笔0.5mm黑色磨砂半针管签字笔拔盖碳素笔办公水笔
[登录后查看]
收藏人气:
1
4
奇强 抽纸 加厚纸巾 餐巾纸 3袋*8包 24包/组
[登录后查看]
收藏人气:
1
5
清扬(CLEAR)头皮护理净澈蓬松高颅顶氨基酸无硅油洗发露480g
[登录后查看]
收藏人气:
0
专
帮助中心
专业团队、悉心指导
质
品质保障
正品行货、质量可靠
售
售后无忧
专业团队、退换无忧
快
极速发货
多仓直发、极速配送
全
品类齐全
惠选精品、购物无忧
商品评价
100%好评
共有0人参与评分评价商品